Công tắc hành trình là gì?
Công tắc hành trình Cấu tạo công tắc hành trình, Nguyên lí hoạt động của công tắc hành trình Hanyoung hay còn gọi công tắc giới hạn hành trình là dạng công tắc dùng để giới hạn hành trình của các bộ phận chuyển động nào đó trong một cơ cấu hay một hệ thống.
Nó có cấu tạo như công tắc điện bình thường, vẫn có chức năng đóng và mở nhưng có thêm cần tác động để cho các bộ phận chuyển động tác động vào làm thay đổi trạng thái của tiếp điểm bên trong nó.
Công tắc hành trình sẽ không duy trì trạng thái, khi không còn tác động nữa chúng sẽ trở về vị trí ban đầu. So với các loại công tắc bình thường khác thì khi được tác động chúng sẽ vẫn duy trì trạng thái cho tới bị được tác động thêm một lần nữa.

Công tắc hành trình có thể dùng để đóng cắt mạch dùng ở lưới điện hạ áp. Nó có tác dụng giống như nút ấn động tác ấn bằng tay được thay thế bằng động tác va chạm của các bộ phận cơ khí, làm cho quá trình chuyển động cơ khí thành tín hiệu điện.
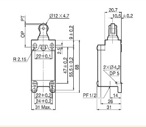
Các Thông số Công tắc hành trình Hanyoung

Cấu tạo của công tắc hành trình như thế nào ?
Một Công tắc hành trình sẽ được cấu tạo từ các bộ phận như sau:
- Bộ phận nhận truyền động: đây là một bộ phận khá quan trọng của một công tắc hành trình, thứ làm nên sự khác biệt giữa chúng và các loại công tắc khác. Chúng được gắn trên đầu của công tắc có nhiệm vụ nhận tác động từ các bộ phận chuyển động để tác động kích hoạt công tắc.
- Thân công tắc: phần thân của công tắc sẽ bao gồm các linh kiện bên trong với lớp vỏ bằng nhựa giúp chúng va dâp, bảo vệ các mạch điện bên trong khỏi các tác nhân tác động vật lý.
- Chân kết nối: đây được xem là phần tín hiệu ngõ ra cho công tắc vì nó có nhiệm vụ truyền tín hiệu đến các thiết bị khác khi bị tác động bởi bộ phận truyền động.


NGUYÊN lý HOẠT ĐỘNG CÔNG TẮC HÀNH TRÌNH HANYOUNG LÀ GÌ?
Thông thường một Công tắc hành trình sẽ có các bộ phận hoạt động như sau: cần tác động, chân COM, chân thường đóng (NC) và chân thường hở (NO).
Ở trạng thái bình thường không có sự tác động đến bộ phận truyền động của công tắc thì tiếp điểm giữa chân COM và chân NC sẽ được đấu với nhau. Nhưng khi có sự tác động vào bộ phận truyền động sẽ làm cho chân COM chân NC tách ra sau đó và chân COM sẽ tác động vào chân NO.
Tiếp theo đó sẽ kích hoạt trạng thái hoạt động và điều khiển tín hiệu ngõ ra của công tắc.


Phạm vi ứng dụng của công tắc hành trình:
Công tắc hành trình sẽ biến chuyển động thành dạng điện năng để kích hoạt một quá trình khác trong một dây chuyền sản xuất hoặc chế tạo.
Chúng ta có thể thấy công tắc hành trình được ứng dụng trong rất nhiều dây chuyền sản xuất khác nhau và thường dùng nhiều nhất là các dây chuyền dùng khí nén.
Trong các nhà máy, công tắc này được sử dụng rất nhiều như: trên dây chuyền sản xuất, băng chuyền, băng tải… Đa số là sử dụng để giới hạn hành trình nói chung, có nghĩa là khi cơ cấu tác động vào vị trí công tắc thì sẽ làm ngắt nguồn cung cấp cho cơ cấu. Và cụ thể thì mình có liệt kê ở đây một số công dụng của công tắc hành trình mà nhiều nhà máy đang ứng dụng như:
- Phát hiện sự tiếp xúc của đối tượng
- Đếm tác động hoặc điểm sản phẩm
- Phát hiện phạm vi di chuyển
- Phát hiện vị trí và giới hạn chuyển động của vật thể
- Ngắt mạch khi gặp sự cố hay trục trặc nào đó
- Phát hiện tốc độ của vật thể

Công ty TNHH O&B Việt Nam chúng tôi nhận giao hàng trên tất cả các Huyện-Xã của tỉnh Bình Dương như: Thuận An, Dĩ An, Tân Uyên, Tp. Thủ Dầu, Bến Cát và các tỉnh Đồng Nai, Bình Phước, Tp.HCM, Long An.
TÌM MUA CÔNG TẮC HÀNH TRÌNH CHÍNH HÃNG Ở ĐÂU?
♥ Còn ở đâu nữa hãy nhấc máy liên hệ với chúng tôi để được tư vấn miễn phí
Tel: 0799.599.079 – Zalo: 0799.599.079 (Mr.Bin)
Tel: 0912.599.079 – Zalo: 0912.599.079 ( Ms.Hiền)
Tel: 0325.984.079 – Zalo: 0325.984.079 (Ms.Minh Anh)
Hotline: 02743.599.079
www.binhduongtoolshop.com
Địa chỉ Công Ty TNHH O&B Việt Nam: Thửa đất số 328, tờ bản đồ số 69, QL.13, Khu Phố 4, Phường Mỹ Phước, TX. Bến Cát, T. Bình Dương.
Mời Quý Khách Click VÀO ĐÂY Để Biết Thêm Thông Tin & Tin Tức Các Sản
Phẩm Của Công Ty TNHH O&B Việt Nam
